021-51699285
首页
关于我们
公司简介
关于品牌
荣誉资质
产品中心
电子式电流继电器(AC)
电子式电流继电器(DC)
电子式电压继电器(AC)
电子式电压继电器(DC)
其它保护和监视装置
电流互感器
最新产品
新闻中心
公司新闻
行业动态
联系我们
产品展示
PWB800系列无功补偿控制器
首页
/
产品中心
/
PWB800系列无功补偿控制器
PD810系列电力网络仪表
800H系列智能电力仪表
800G系列智能电力仪表
MC800系列低压智能电动机保护
800系列电力变送器
PWB800系列无功补偿控制器
NY3000变电站综合自动化系统
产品标题:PWB800系列无功补偿控制器
产品ID:
VIB20090713195926734
品 牌:
纳宇电气
所在地:中国 上海
价 格:面议 (大量采购价格面议)
库存状态:
货期待查
更新日期:2025-12-18 22:23:41
咨询电话:(+86)021-51699285
咨询Q Q:
2695337323
产品简述
产品简介
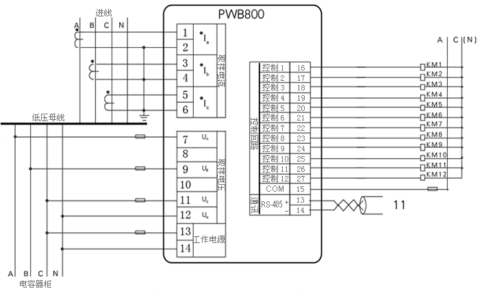
PWB800电容补偿控制器适用于400V供电系统,可以控制12组电容器,实现功率因数自动补偿控制,还具备电气监测、远程通讯功能。适合组成配电自动化监控系统。
产品详情
外形尺寸及安装
典型接线图
产品型号
双作用气缸 DSEU-8-25-P-A-MQ
双作用气缸 DSEU-8-40-P-A-MQ
双作用气缸 DSEU-8-50-P-A-MQ
双作用气缸 DSEU-8-80-P-A-MQ
双作用气缸 DSEU-8-100-P-A-MQ
双作用气缸 DSEU-10-10-P-A-MQ
双作用气缸 DSEU-10-25-P-A-MQ
双作用气缸 DSEU-10-40-P-A-MQ
双作用气缸 DSEU-10-50-P-A-MQ
双作用气缸 DSEU-10-80-P-A-MQ
双作用气缸 DSEU-10-100-P-A-MQ
双作用气缸 DSEU-12-10-P-A-MQ
双作用气缸 DSEU-12-25-P-A-MQ
双作用气缸 DSEU-12-40-P-A-MQ
前一页
WATSND-1600/1600 4CBR (NS-H) 手动 WATSN-100-630系列产品 手动
后一页
WATSND-1600/1600 4CBR (NS-H) 手动 WATSN-100-630系列产品 手动
产品中心
更多产品
MORE+
PWB800系列无功补偿控制器
真空吸盘 ESS-10-SF
真空吸盘 ESS-10-SNA
真空吸盘 ESS-15-SN
真空吸盘 ESS-15-SU
电话:
021-51699285
传真:
021-51698592
手机:
13611905823
地址:上海市宝山区恒高路127弄6号楼2202室
首 页
关于我们
公司简介
品牌介绍
企业荣誉
产品中心
电子式电流继电器(AC)
电子式电流继电器(DC)
电子式电压继电器(AC)
电子式电压继电器(DC)
其它保护和监视装置
电流互感器
最新产品
新闻中心
公司新闻
行业动态
联系我们