021-51699285
首页
关于我们
公司简介
关于品牌
荣誉资质
产品中心
电子式电流继电器(AC)
电子式电流继电器(DC)
电子式电压继电器(AC)
电子式电压继电器(DC)
其它保护和监视装置
电流互感器
最新产品
新闻中心
公司新闻
行业动态
联系我们
产品展示
LB6-35(油漫)电流互感器
首页
/
产品中心
/
10KV-35KV油浸式电流互感器
塑壳互感器系列
0.5KV母线式电流互感器
0.5KV树脂浇注式互感器
LYM-0.5系列大电流母排式互感器
0.5干式电压互感器
零序互感器
限流电抗器
BLZ-1K系列直流互感器
HL23-1系列仪用互感器
智能控制器
电机软启动器
特殊(特种)电流互感器
霍尔电流传感器
钳型互感器
微型精密互感器
矿用真空馈电开关用互感器
10KV干式电流互感器
35KV干式电流互感器
10KV-35KV系列高压计量箱
6KV-35KV油浸式电压互感器
10KV-35KV油浸式电流互感器
10KV-35KV(户外)干式电压互感器
10KV-35KV(户内)干式电压互感器
放电线圈(油浸式放电线圈、干式户内放电线圈)
三相抗谐振电压互感器
产品标题:LB6-35(油漫)电流互感器
产品ID:
VIB20100106115010734
品 牌:
ANGESUN互感器
所在地:中国 上海
价 格:面议 (大量采购价格面议)
库存状态:
货期待查
更新日期:2025-10-7 14:33:23
咨询电话:(+86)021-51699285
咨询Q Q:
2695337323
产品简述
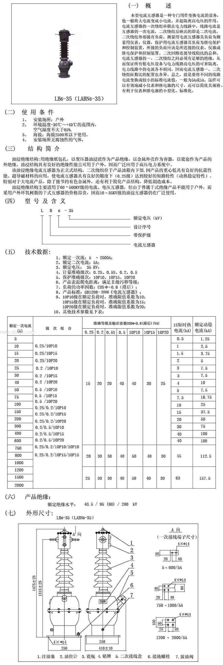
LB6-35(油漫)电流互感器
产品详情
产品型号
小型滑块驱动器 SLT-20-150-P-A
小型滑块驱动器 SLT-20-200-P-A
小型滑块驱动器 SLT-25-125-P-A
小型滑块驱动器 SLT-25-150-P-A
小型滑块驱动器 SLT-25-200-P-A
双作用气缸 DF - 40- 40-P-A-B -SA
电磁阀 MFH-5/2-D-1 C -SA
基本单元 CPV14-GE-IL-4
S系列基本组件 CPV14-GE-IL-4
左端板 CPV10-EPL-PEU
右端板 CPV10-EPR-PEU
左端板 CPV10-EPL-EU
右端板 CPV10-EPR-EU
左端板 CPV14-EPL-PEU
前一页
JSJW-10(油浸)电压互感器
后一页
JSJW-10(油浸)电压互感器
产品中心
更多产品
MORE+
JSZK1-6.10三相搞谐振型电压感器
JSZK1-6三相搞谐振型电压感器
JDZ8-35电压互感器
JSZK1-6.10三相搞谐振型电压感器
JSZK1-6.10三相搞谐振型电压感器
LMZJ1-0.5系列户内型浇注式电流互感器
JDZ-6Q(干式)全工况电压互感器
JDJ2-35(油浸)电压互感器
传感器条 BSL-HMP- 32-200
传感器条 BSL-HMP- 32-250
传感器条 BSL-HMP- 32-320
传感器条 BSL-HMP- 32-400
电话:
021-51699285
传真:
021-51698592
手机:
13611905823
地址:上海市宝山区恒高路127弄6号楼2202室
首 页
关于我们
公司简介
品牌介绍
企业荣誉
产品中心
电子式电流继电器(AC)
电子式电流继电器(DC)
电子式电压继电器(AC)
电子式电压继电器(DC)
其它保护和监视装置
电流互感器
最新产品
新闻中心
公司新闻
行业动态
联系我们