021-51699285
首页
关于我们
公司简介
关于品牌
荣誉资质
产品中心
电子式电流继电器(AC)
电子式电流继电器(DC)
电子式电压继电器(AC)
电子式电压继电器(DC)
其它保护和监视装置
电流互感器
最新产品
新闻中心
公司新闻
行业动态
联系我们
产品展示
RCT系列塑壳互感器
首页
/
产品中心
/
塑壳互感器系列
塑壳互感器系列
0.5KV母线式电流互感器
0.5KV树脂浇注式互感器
LYM-0.5系列大电流母排式互感器
0.5干式电压互感器
零序互感器
限流电抗器
BLZ-1K系列直流互感器
HL23-1系列仪用互感器
智能控制器
电机软启动器
特殊(特种)电流互感器
霍尔电流传感器
钳型互感器
微型精密互感器
矿用真空馈电开关用互感器
10KV干式电流互感器
35KV干式电流互感器
10KV-35KV系列高压计量箱
6KV-35KV油浸式电压互感器
10KV-35KV油浸式电流互感器
10KV-35KV(户外)干式电压互感器
10KV-35KV(户内)干式电压互感器
放电线圈(油浸式放电线圈、干式户内放电线圈)
三相抗谐振电压互感器
产品标题:RCT系列塑壳互感器
产品ID:
VIB20100104135414734
品 牌:
ANGESUN互感器
所在地:中国 上海
价 格:面议 (大量采购价格面议)
库存状态:
货期待查
更新日期:2025-10-24 3:02:14
咨询电话:(+86)021-51699285
咨询Q Q:
2695337323
产品简述
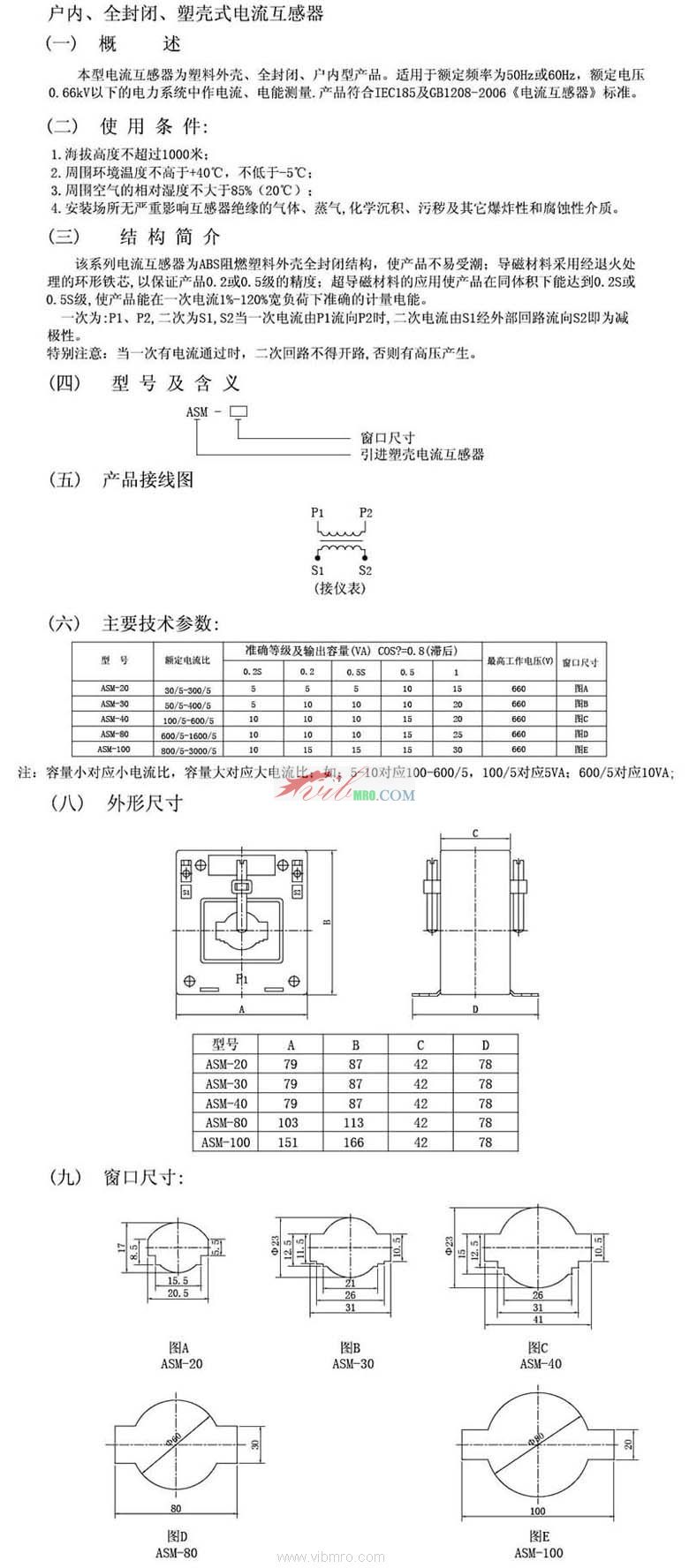
RCT系列塑壳互感器
产品详情
产品型号
GER.S.EP-201NPN D:S-TP201-CP-SIBU-NPN
GER.S.EP-202NPN D:S-TP202-CP-SIBU-NPN
GER.S.EH-602NPN D:S-TP602-CP-SIBU-NPN
GER.S.PH-701NPN D:S-TP701-CP-SIBU-NPN
GER.S.PH-702NPN D:S-TP702-CP-SIBU-NPN
NAEH.SCH.OPTNPN D:SOE-M12-NS-LED-SIBU
压力比例阀 MPPES-3-1/8-PU-PO-420
活塞杆,E. DNC- 32- -
活塞杆,E. DNC- 40- -
活塞杆,E. DNC- 50- -
活塞杆,E. DNC- 63- -
活塞杆,E. DNC- 80- -
活塞杆,E. DNC-100- -
活塞杆,E. DNC-125- -
前一页
RCT系列塑壳互感器
后一页
RCT系列塑壳互感器
产品中心
更多产品
MORE+
JDZ-10Q(干式)全工况电压互感器
JLS4-35三相四线(油浸)计量箱
LAZBJ-10Q全封闭、全工况、多次级电流互感器
LFSQ-10高压电流互感器
LQZBJ-10Q高压电流互感器
JDZ1.2-1(干式)电压互感器
MFO-0.66系列塑壳互感器
AX系列塑壳互感器
安装组件 BB-TLF-DGPL-25-3-B
安装组件 BB-TLF-DGPL-25-4-B
输入模块 VIGE-03-FB-8-5POL-S
棘轮装置 FLSM-6-R
电话:
021-51699285
传真:
021-51698592
手机:
13611905823
地址:上海市宝山区恒高路127弄6号楼2202室
首 页
关于我们
公司简介
品牌介绍
企业荣誉
产品中心
电子式电流继电器(AC)
电子式电流继电器(DC)
电子式电压继电器(AC)
电子式电压继电器(DC)
其它保护和监视装置
电流互感器
最新产品
新闻中心
公司新闻
行业动态
联系我们