021-51699285
首页
关于我们
公司简介
关于品牌
荣誉资质
产品中心
电子式电流继电器(AC)
电子式电流继电器(DC)
电子式电压继电器(AC)
电子式电压继电器(DC)
其它保护和监视装置
电流互感器
最新产品
新闻中心
公司新闻
行业动态
联系我们
产品展示
LN-0.66系列塑壳互感器
首页
/
产品中心
/
塑壳互感器系列
塑壳互感器系列
0.5KV母线式电流互感器
0.5KV树脂浇注式互感器
LYM-0.5系列大电流母排式互感器
0.5干式电压互感器
零序互感器
限流电抗器
BLZ-1K系列直流互感器
HL23-1系列仪用互感器
智能控制器
电机软启动器
特殊(特种)电流互感器
霍尔电流传感器
钳型互感器
微型精密互感器
矿用真空馈电开关用互感器
10KV干式电流互感器
35KV干式电流互感器
10KV-35KV系列高压计量箱
6KV-35KV油浸式电压互感器
10KV-35KV油浸式电流互感器
10KV-35KV(户外)干式电压互感器
10KV-35KV(户内)干式电压互感器
放电线圈(油浸式放电线圈、干式户内放电线圈)
三相抗谐振电压互感器
产品标题:LN-0.66系列塑壳互感器
产品ID:
VIB20100104132015734
品 牌:
ANGESUN互感器
所在地:中国 上海
价 格:面议 (大量采购价格面议)
库存状态:
货期待查
更新日期:2025-10-24 15:07:27
咨询电话:(+86)021-51699285
咨询Q Q:
2695337323
产品简述
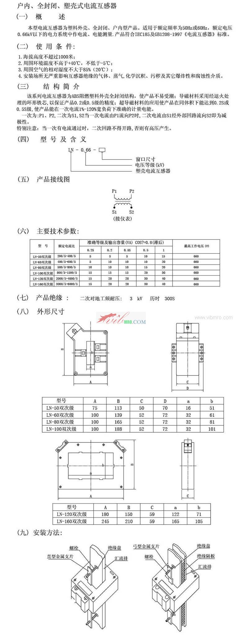
LN-0.66系列塑壳互感器
产品详情
产品型号
双作用气缸 DSEU-8-40-P-A-MA
双作用气缸 DSEU-8-50-P-A-MA
双作用气缸 DSEU-8-80-P-A-MA
双作用气缸 DSEU-8-100-P-A-MA
双作用气缸 DSEU-10-10-P-A-MA
双作用气缸 DSEU-10-25-P-A-MA
双作用气缸 DSEU-10-40-P-A-MA
双作用气缸 DSEU-10-50-P-A-MA
双作用气缸 DSEU-10-80-P-A-MA
双作用气缸 DSEU-10-100-P-A-MA
双作用气缸 DSEU-12-10-P-A-MA
双作用气缸 DSEU-12-25-P-A-MA
双作用气缸 DSEU-12-40-P-A-MA
双作用气缸 DSEU-12-50-P-A-MA
前一页
LMK-0.66系列塑壳互感器
后一页
LMK-0.66系列塑壳互感器
产品中心
更多产品
MORE+
JLS4-10三相四线(油浸)计量箱
测量型电流互感器SCTH
FD2油浸式放电线圈
一匝穿芯式交流泄漏电流传感器
JSZK1-10三相搞谐振型电压感器
JSZF-6.10G三相搞谐振型电压感器
LZJC-10Q高压电流互感器
JDZX6-35W2(干式)带金属外壳户外电压互感器
电磁阀 MN2H-5/2-02-12DCA
电磁阀 MN2H-5/2-02-S-12DCA
电磁阀 MEH-5/2-4,0-I-B
双电控电磁阀 JMEH-5/2-4,0-I-B
电话:
021-51699285
传真:
021-51698592
手机:
13611905823
地址:上海市宝山区恒高路127弄6号楼2202室
首 页
关于我们
公司简介
品牌介绍
企业荣誉
产品中心
电子式电流继电器(AC)
电子式电流继电器(DC)
电子式电压继电器(AC)
电子式电压继电器(DC)
其它保护和监视装置
电流互感器
最新产品
新闻中心
公司新闻
行业动态
联系我们